
- Depth Capacity
- HQ Rod size : 100 m
- Power Pack
- D1105-E2B-EU-X1 Diesel Engine Vertical
- Max. Power 26 kW @3000 rpm
Check Valve


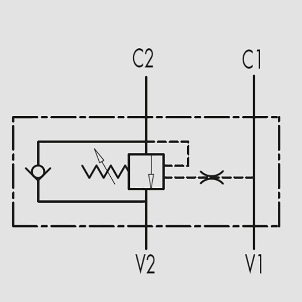
Single Overcentre Valves Type A (VBCD SE A)


Single Over centre Valves 3 ways (VBCD SE 3 VIE)


Relief Valves (VMP)


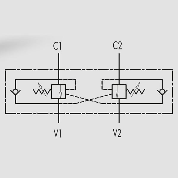
Double Overcentre Valves Type A (VBCD DE A)


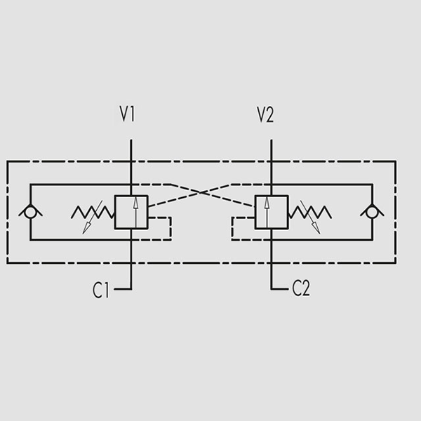
Double Overcentre Valves Flangable (VBCD DE FL)


Check Valves (VU)


90 Flow Regulator Valve (VRFB 90)
Directional Valve

Directional IHV P40

Directional IHV P80

Directional IHV PC100

Directional IHV P120